Navigazione

Gruppo di prodotti 15153083

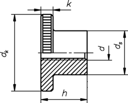
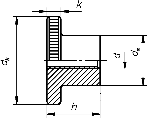
MU-RäNDL high FG DIN 466
Standard: DIN 466
Ex WGR n.: 0608

Selezionare la superficie: