Navigazione

Gruppo di prodotti 15288011

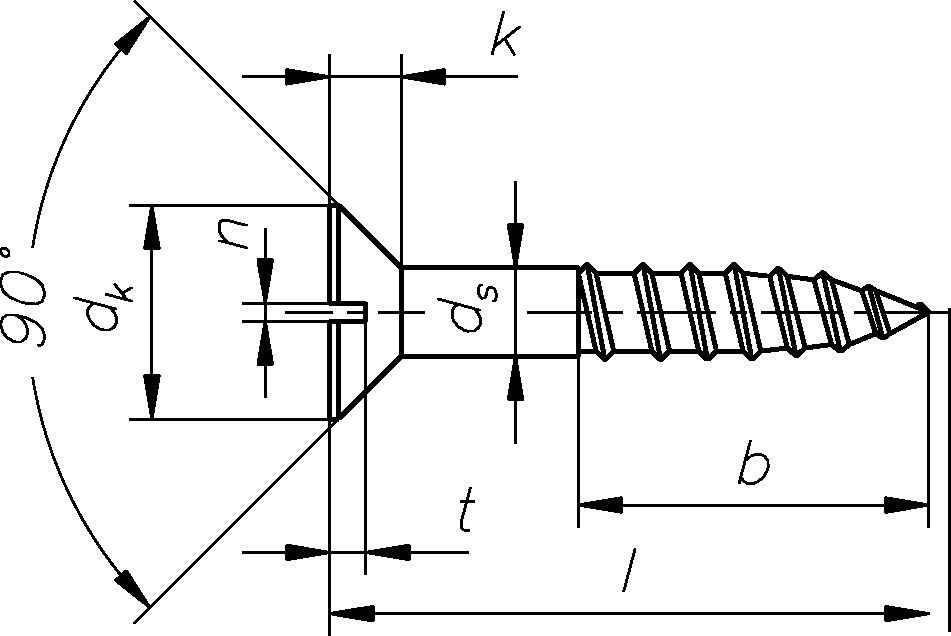
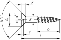
SEKO SHR-HLZ w.SZ
Standard: DIN 97
Ex WGR n.: 3105

Selezionare la superficie: