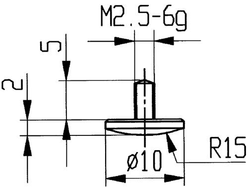
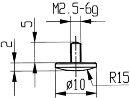
Measuring insert diameter 10 mm arched radius 15 M2.5 steel suitable for dial ga
Fig. simile
- Materiale:
- 10157558
- EAN:
- 4031452620085
- Gruppo di prodotti:
- 22009055 Measuring insert BEETLE
- Superficie:
- 000 uncoated
- Contenuto della confezione:
- 1
- Imballaggio:
- (STD)
- Peso [1 pezzo]:
- 0.01 KG
- Vecchio numero di articolo:
- 0/8502/000//171//01
Prezzo:
Su richiesta Prodotto
für MessuhrenWeitere technische Eigenschaften:
· Gewinde: M2,5





