Navigation

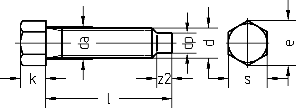
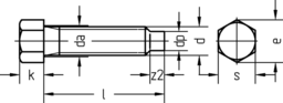
Product group 15341032

6KT SHR VG w.spigot shape B
Norm: DIN 561
Former WGR no.: 1563